- 液位儀表系列
- 流量儀表系列
- 物位儀表系列
- 壓力/液位/差壓/密度變送器
- 液位/溫度/壓力/流量-報警儀
- PLC/DCS自動化控制監控系統
- GPRS無線遠傳裝置
- 物位儀表系列
- 有紙/無紙記錄儀系列
- 溫度儀表系列
- 分析儀|檢測儀|校驗儀系列
全國銷售熱線:400-9280-163
電話:86 0517-86917118
傳真:86 0517-86899586
銷售經理:1560-1403-222 (丁經理)
??? ? ? ? 139-1518-1149 (袁經理)
業務QQ:2942808253 / 762657048
網址:http://www.tiansocks.com
電話:86 0517-86917118
傳真:86 0517-86899586
銷售經理:1560-1403-222 (丁經理)
??? ? ? ? 139-1518-1149 (袁經理)
業務QQ:2942808253 / 762657048
網址:http://www.tiansocks.com
干簧管磁浮球液位開關的液位控制電路在液位測量中的應用分析
發表時間:2018-11-01 ??點擊次數:1455? 技術支持:1560-1403-222
對于液體的液位控制,應用非常**,比如水池、水塔、水井、水箱、石油化工、造紙、食品、排澇和污水處理等行業開口或密閉儲罐,基本上涉及到此類容器內部液體介質了儲存與使用,都需要進行必要的液體液位控制。其中被測介質可以包括水、油、酸堿液、工業污水等各種導電或非導電液體。對于液位的控制,一般是基于兩個方面的要求:其一是液位低于一定限度時,啟動電動機-水泵機組,使液體能得到及時的補充,比如水塔。其二是液位高于或達到一定限度時,啟動電動機-水泵機組,將液體及時排出,比如地道橋積水或污水池等。液位控制技術對于生產生活來說都非常重要,一些重要的生產現場不僅關系到生產效率的提高,甚至對于人身安全來說都有著凡同一般的意義。
要做到液位的控制,*要解決的問題就是液位信號的獲取,通常采用限位式控制方式,如壓力、液位高限或低限,這些物理量轉換為電信號后進而驅動執行電路,完成既定目標。常用的控制器(傳感器)有干簧管式、電接點壓力表式、晶體管電路式和球形液位控制器等。
利用干簧管進行工作的磁浮球液位開關是生產生活中常見的液位測量與控制儀表,其控制方式也有兩種方式,一種是直接通過設定好高度位置之后,通過開關量信號進行控制;另一種是將整個高度設為****,通過4-20mA的模擬量信號輸出,在外部加裝液位控制二次表進行設定所需的高度。
本文介紹干簧管液位控制電路(亦稱浮球液位開關)。
1.元器件介紹
1)磁浮球液位干簧管開關和干簧管液位控制器(SL)
干簧管開關:由一組或幾組導磁金屬簧片封裝在充有惰性氣體的玻璃管中組成的元件,每組簧片既能導磁又能導電,起開關電路和磁路的雙重作用,如圖1。對于常開型:當干簧管在外加**磁場或電磁場的作用時,干簧管中的兩根簧片分別被磁化,在兩根簧片接近的地方產生異性磁極而吸引,兩根簧片相接觸使電路導通。反過來,當磁場取消時,簧片依靠本身的彈性力恢復原狀,兩簧片分離,電路斷開,這樣便完成了一個開關的作用。常閉型干簧管原理可自行分析。干簧開關有許多優點:由于接點密閉在充滿惰性氣體的玻璃管中,不易腐蝕、氧化和污染,接點免于維護;接通或釋放的時間只有1~3 毫秒,僅為電磁繼電器的1/5~1/10,可以作為速動開關使用;由于接點部分使用了金、鐒、鈀合金鍍層,壽命長,開關約為106~107 次。干簧管液位控制器:見圖2。由2 只或以上的干簧管開關作為主控元件,置于絕緣導管中,浮子連同環形磁鋼套在導管外面,浮球隨液位的高低上下移動,當磁環浮動到干簧管外周時,干簧管內的開關受磁場作用或開或關,輸出一個液位信號,啟動控制電路動作,終使電動機-水泵機組啟動或停止,從而實現液位高低的改變。導管上部為接線盒,內設接線端子,下部密封。導管的長度可以調節,使用時垂直于液面固定。
2)轉換開關(SA)
又稱組合開關。它是刀開關的另一種結構形式,是一種多擋位、多觸頭、能夠控制多個回路的手動電器,它是左右旋轉的平面操作,外形如圖3 所示。其控制容量比較小,結構緊湊,常用于比較狹小的空間,如機床設備控制電路中,作電源引入開關或電路功能轉換開關等。也可以用它來直接啟動或停止5 千瓦以下小功率電動機或使電動機正反轉,倒順等。照明電路也常用它來控制。轉換開關有單極、雙極和多極之分,在開關的上部裝有定位機構,它能使觸頭處在一定的位置上。額定持續電流有10、25、60、100A 等多種。定位角有30。、45°、60°、90。等幾種。轉換開關主要由手柄、轉軸、彈簧、凸輪、絕緣墊板、動觸片、靜觸片、接線柱和絕緣桿組成。它的動、靜觸點分別疊裝于數層絕緣座內,動觸點與方軸相連,每層的動觸點與方軸一起轉動,使動靜觸點接通或斷開。之所以又稱為組合開關,是因為絕緣座的層數可以根據需要自由組合。在液位控制中,多用于“自動”和“手動”的轉換。
圖4 是一款轉換開關的圖形和符號,表1 是它在左旋和右旋兩個部位時8 個開關對應的通斷情況。
3)其他器件
繼電器、交流接觸器、各種按鈕開關、指示燈等也都是常用器件,因為有太多的資料可以查詢,不再贅述。
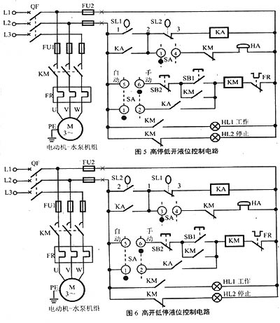
2.高位停低位開液位控制電路
水塔供水系統就屬于這種情況,當液位降到設定下限水位時,啟動電動機-水泵機組,為水塔注水;當液位達設定上限水位時,電動機-水泵機組停止運轉。
電原理圖如圖5 所示。
電路具有手動和自動兩種工作方式,依靠轉換開關SA 完成切換。干簧管液位控制器采用GSK-1 或YW-67 型,接線方式采用圖2(c)形式,其中SL1 常開,SL2 常閉,分別為液位下限和上限干簧管。手動控制時的工作過程:閉合三相開關QF,電路接通電源。右旋轉換開關SA 至手動位置,觸點⑤—⑥接通,①—②、③—④斷開。按壓啟動按鈕SB1,交流接觸器KM 線圈得電,主開關KM 閉合并自鎖,電動機-水泵機組運轉,工作指示燈HL1 亮起,表示水泵向水箱注水;人工觀察水箱注滿后,按壓停止按鈕SB2,交流接觸器失線圈電,自鎖解除,主開關KM 打開,電動機停轉,停止指示燈HL2 亮起,工作指示燈HL1 熄滅。
自動控制時的工作過程:閉合三相開關QF,電路接通電源。左旋轉換開關SA 至自動位置,觸點⑤—⑥斷開,①—②、③—④接通。若浮子(液位)處在圖2(b)位置,磁環遠離干簧管,電路不工作,停機指示燈HL2 亮起。當液位下降到液位hl 時,磁環磁場使干簧管SL1 閉合,繼電器KA 線圈得電并自鎖,交流接觸器KM 線圈得電,主開關KM 導通,電動機-水泵機組啟動注水,同時工作指示燈HL1亮起,停止指示燈HL2 熄滅。注水過程中,即使浮子上升、下限干簧管SL1 打開,由于繼電器KA 的自鎖作用,機組繼續運行。當液位上升到上限液位h2 時,在磁環磁場作用下,干簧管液位控制器常閉開關SL2 打開,繼電器KA 線圈失電復位,2 個動合開關打開,交流接觸器KM 線圈失電,主開關KM打開,電動機-水泵機組停機,注水結束,同時工作指示燈HL1 熄滅,停止指示燈HL2 亮起。電鈴HA 作為運行中出現因故障而停機報警使用。電鈴HA 報警時,停機指示燈HL2 同時亮起,通知排除故障。
在任何情況下出現故障,按壓停止按鈕SB2,都能及時停機,故SB2 又稱急停按鈕。FR 為熱保護繼電器,當電動機因過載而過熱時,自動切斷控制電路電源停機。
控制電路工作在線電壓(380V)狀態下,安裝時務必注意良好的絕緣工藝,尤其是干簧管液位控制器置于液體中,更要小心,謹防漏電??紤]到安全問題,可在電路的x 處斷開后接入一個雙線圈降壓變壓器(100W 足夠),為控制電路低壓供電,當然,控制電路的所有元器件的額定工作電壓要相應改變。
3.高位開低位停液位控制電路只需對干簧管浮球液位開關或液位控制器的接法稍加改造如圖2(d),上述電路即可改造為高液位排水、低液位停機電路,可用于積水排澇、排污等自動控制,如圖6 所示。手動控制時的工作過程:閉合三相開關QF,電路接通電源。右旋轉換開關SA 至手動位置,觸點⑤—⑥接通,①—②、③—④斷開。按壓啟動按鈕SB1,交流接觸器KM 線圈得電,主開關KM 閉合并自鎖,電動機-水泵機組運轉,工作指示燈HL1 亮起,表示水泵為水箱排水;人工觀察水箱到合適水位時后,按壓停止按鈕SB2,交流接觸器線圈失電,主開關KM 打開,電動機停轉,停止指示燈HL2 亮起,工作指示燈HL1 熄滅。自動控制時的工作過程:閉合三相開關QF,電路接通電源。左旋轉換開關SA 至自動位置,觸點⑤—⑥斷開,①—②、③—④接通。若浮子(液位)處在圖2(b)位置,因磁環遠離干簧管,電路不工作,停機指示燈HL2 亮起。當浮子上升到上限液位h2 時,磁環磁場使干簧管SL2 閉合,繼電器KA 線圈得電并自鎖,交流接觸器KM 線圈得電,主開關KM 導通,電動機-水泵機組啟動排水,同時工作指示燈HL1 亮起,停止指示燈HL2 熄滅。排水過程中,即使浮子下降、上限干簧管SL2 打開,由于繼電器KA 的自鎖作用,機組繼續運行。當浮子下降到下限液位hl 時,在磁環磁場作用下,干簧管浮球液位控制器常閉開關SL1 打開,繼電器KA 線圈失電,所有開關KA 打開,交流接觸器KM 線圈失電,主開關KM 打開,電動機-水泵機組停機,排水結束,同時工作指示燈HL1 熄滅,停止指示燈HL2 亮起。




上一條:簡述磁浮球液位計的結構原理和安裝、使用與維護方法
下一條:電磁流量計等流量產品選型時需要考慮的五個因素及一般步驟
要做到液位的控制,*要解決的問題就是液位信號的獲取,通常采用限位式控制方式,如壓力、液位高限或低限,這些物理量轉換為電信號后進而驅動執行電路,完成既定目標。常用的控制器(傳感器)有干簧管式、電接點壓力表式、晶體管電路式和球形液位控制器等。
利用干簧管進行工作的磁浮球液位開關是生產生活中常見的液位測量與控制儀表,其控制方式也有兩種方式,一種是直接通過設定好高度位置之后,通過開關量信號進行控制;另一種是將整個高度設為****,通過4-20mA的模擬量信號輸出,在外部加裝液位控制二次表進行設定所需的高度。
本文介紹干簧管液位控制電路(亦稱浮球液位開關)。
1.元器件介紹
1)磁浮球液位干簧管開關和干簧管液位控制器(SL)
干簧管開關:由一組或幾組導磁金屬簧片封裝在充有惰性氣體的玻璃管中組成的元件,每組簧片既能導磁又能導電,起開關電路和磁路的雙重作用,如圖1。對于常開型:當干簧管在外加**磁場或電磁場的作用時,干簧管中的兩根簧片分別被磁化,在兩根簧片接近的地方產生異性磁極而吸引,兩根簧片相接觸使電路導通。反過來,當磁場取消時,簧片依靠本身的彈性力恢復原狀,兩簧片分離,電路斷開,這樣便完成了一個開關的作用。常閉型干簧管原理可自行分析。干簧開關有許多優點:由于接點密閉在充滿惰性氣體的玻璃管中,不易腐蝕、氧化和污染,接點免于維護;接通或釋放的時間只有1~3 毫秒,僅為電磁繼電器的1/5~1/10,可以作為速動開關使用;由于接點部分使用了金、鐒、鈀合金鍍層,壽命長,開關約為106~107 次。干簧管液位控制器:見圖2。由2 只或以上的干簧管開關作為主控元件,置于絕緣導管中,浮子連同環形磁鋼套在導管外面,浮球隨液位的高低上下移動,當磁環浮動到干簧管外周時,干簧管內的開關受磁場作用或開或關,輸出一個液位信號,啟動控制電路動作,終使電動機-水泵機組啟動或停止,從而實現液位高低的改變。導管上部為接線盒,內設接線端子,下部密封。導管的長度可以調節,使用時垂直于液面固定。
2)轉換開關(SA)
又稱組合開關。它是刀開關的另一種結構形式,是一種多擋位、多觸頭、能夠控制多個回路的手動電器,它是左右旋轉的平面操作,外形如圖3 所示。其控制容量比較小,結構緊湊,常用于比較狹小的空間,如機床設備控制電路中,作電源引入開關或電路功能轉換開關等。也可以用它來直接啟動或停止5 千瓦以下小功率電動機或使電動機正反轉,倒順等。照明電路也常用它來控制。轉換開關有單極、雙極和多極之分,在開關的上部裝有定位機構,它能使觸頭處在一定的位置上。額定持續電流有10、25、60、100A 等多種。定位角有30。、45°、60°、90。等幾種。轉換開關主要由手柄、轉軸、彈簧、凸輪、絕緣墊板、動觸片、靜觸片、接線柱和絕緣桿組成。它的動、靜觸點分別疊裝于數層絕緣座內,動觸點與方軸相連,每層的動觸點與方軸一起轉動,使動靜觸點接通或斷開。之所以又稱為組合開關,是因為絕緣座的層數可以根據需要自由組合。在液位控制中,多用于“自動”和“手動”的轉換。
圖4 是一款轉換開關的圖形和符號,表1 是它在左旋和右旋兩個部位時8 個開關對應的通斷情況。
3)其他器件
繼電器、交流接觸器、各種按鈕開關、指示燈等也都是常用器件,因為有太多的資料可以查詢,不再贅述。
2.高位停低位開液位控制電路
水塔供水系統就屬于這種情況,當液位降到設定下限水位時,啟動電動機-水泵機組,為水塔注水;當液位達設定上限水位時,電動機-水泵機組停止運轉。
電原理圖如圖5 所示。
電路具有手動和自動兩種工作方式,依靠轉換開關SA 完成切換。干簧管液位控制器采用GSK-1 或YW-67 型,接線方式采用圖2(c)形式,其中SL1 常開,SL2 常閉,分別為液位下限和上限干簧管。手動控制時的工作過程:閉合三相開關QF,電路接通電源。右旋轉換開關SA 至手動位置,觸點⑤—⑥接通,①—②、③—④斷開。按壓啟動按鈕SB1,交流接觸器KM 線圈得電,主開關KM 閉合并自鎖,電動機-水泵機組運轉,工作指示燈HL1 亮起,表示水泵向水箱注水;人工觀察水箱注滿后,按壓停止按鈕SB2,交流接觸器失線圈電,自鎖解除,主開關KM 打開,電動機停轉,停止指示燈HL2 亮起,工作指示燈HL1 熄滅。
自動控制時的工作過程:閉合三相開關QF,電路接通電源。左旋轉換開關SA 至自動位置,觸點⑤—⑥斷開,①—②、③—④接通。若浮子(液位)處在圖2(b)位置,磁環遠離干簧管,電路不工作,停機指示燈HL2 亮起。當液位下降到液位hl 時,磁環磁場使干簧管SL1 閉合,繼電器KA 線圈得電并自鎖,交流接觸器KM 線圈得電,主開關KM 導通,電動機-水泵機組啟動注水,同時工作指示燈HL1亮起,停止指示燈HL2 熄滅。注水過程中,即使浮子上升、下限干簧管SL1 打開,由于繼電器KA 的自鎖作用,機組繼續運行。當液位上升到上限液位h2 時,在磁環磁場作用下,干簧管液位控制器常閉開關SL2 打開,繼電器KA 線圈失電復位,2 個動合開關打開,交流接觸器KM 線圈失電,主開關KM打開,電動機-水泵機組停機,注水結束,同時工作指示燈HL1 熄滅,停止指示燈HL2 亮起。電鈴HA 作為運行中出現因故障而停機報警使用。電鈴HA 報警時,停機指示燈HL2 同時亮起,通知排除故障。
在任何情況下出現故障,按壓停止按鈕SB2,都能及時停機,故SB2 又稱急停按鈕。FR 為熱保護繼電器,當電動機因過載而過熱時,自動切斷控制電路電源停機。
控制電路工作在線電壓(380V)狀態下,安裝時務必注意良好的絕緣工藝,尤其是干簧管液位控制器置于液體中,更要小心,謹防漏電??紤]到安全問題,可在電路的x 處斷開后接入一個雙線圈降壓變壓器(100W 足夠),為控制電路低壓供電,當然,控制電路的所有元器件的額定工作電壓要相應改變。
3.高位開低位停液位控制電路只需對干簧管浮球液位開關或液位控制器的接法稍加改造如圖2(d),上述電路即可改造為高液位排水、低液位停機電路,可用于積水排澇、排污等自動控制,如圖6 所示。手動控制時的工作過程:閉合三相開關QF,電路接通電源。右旋轉換開關SA 至手動位置,觸點⑤—⑥接通,①—②、③—④斷開。按壓啟動按鈕SB1,交流接觸器KM 線圈得電,主開關KM 閉合并自鎖,電動機-水泵機組運轉,工作指示燈HL1 亮起,表示水泵為水箱排水;人工觀察水箱到合適水位時后,按壓停止按鈕SB2,交流接觸器線圈失電,主開關KM 打開,電動機停轉,停止指示燈HL2 亮起,工作指示燈HL1 熄滅。自動控制時的工作過程:閉合三相開關QF,電路接通電源。左旋轉換開關SA 至自動位置,觸點⑤—⑥斷開,①—②、③—④接通。若浮子(液位)處在圖2(b)位置,因磁環遠離干簧管,電路不工作,停機指示燈HL2 亮起。當浮子上升到上限液位h2 時,磁環磁場使干簧管SL2 閉合,繼電器KA 線圈得電并自鎖,交流接觸器KM 線圈得電,主開關KM 導通,電動機-水泵機組啟動排水,同時工作指示燈HL1 亮起,停止指示燈HL2 熄滅。排水過程中,即使浮子下降、上限干簧管SL2 打開,由于繼電器KA 的自鎖作用,機組繼續運行。當浮子下降到下限液位hl 時,在磁環磁場作用下,干簧管浮球液位控制器常閉開關SL1 打開,繼電器KA 線圈失電,所有開關KA 打開,交流接觸器KM 線圈失電,主開關KM 打開,電動機-水泵機組停機,排水結束,同時工作指示燈HL1 熄滅,停止指示燈HL2 亮起。




上一條:簡述磁浮球液位計的結構原理和安裝、使用與維護方法
下一條:電磁流量計等流量產品選型時需要考慮的五個因素及一般步驟
- 相關文章
-
- 80G 高頻雷達物位計液位計適用于泡沫和攪拌工況的原因分析 【2025-08-06】
- 80G高頻雷達液位計防腐防爆耐高溫的功能是如何實現的? 【2025-07-23】
- 高頻雷達液位計在石油行業液位測量應用中的優勢有哪些 【2025-07-17】
- 雷達液位計測量時如何有效規避攪拌葉片和泡沫的干擾? 【2025-07-07】
- 簡述壓阻投入式液位變送器在水文自動測報系統中的應用 【2018-07-21】
- 遠傳液位變送器華爾威 【2023-12-30】
- 淺析電磁流量計為什么不能用于氣體或者含有氣體介質流量的測量 【2019-06-09】
- 雷電對于渦輪流量計的危害及如何建立有效防護措施的探討 【2018-04-25】
- 單法蘭液位變送器加盟 【2023-12-30】
- 投入式液位變送器的用處 【2024-01-02】








